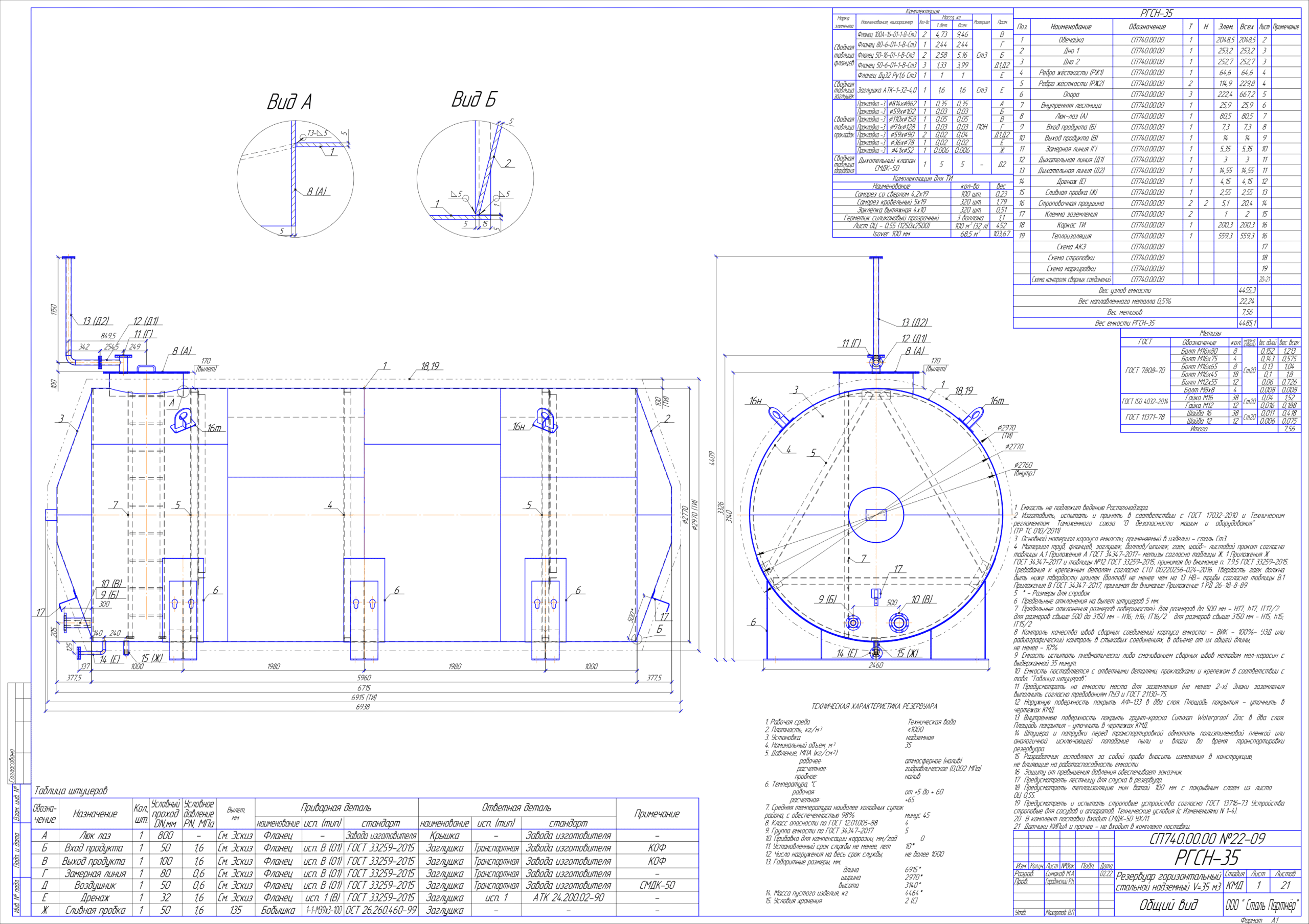
Description
Базовая поставка включает:
- патрубки приёма и выдачи;
- горловину с люком;
- технологические штуцеры;
- опоры и монтажные элементы.
По запросу заказчика Завод ООО «Сталь Партнёр» может укомплектовать РГС-35 любым резервуарным оборудованием:
- насосными агрегатами;
- уровнемерами, датчиками уровня и сигнализаторами;
- дыхательными клапанами (в том числе незамерзающими);
- манометрами и предохранительными устройствами;
- кранами, задвижками, огнепреградителями;
- системами подогрева (змеевик, кабельный обогрев);
- теплоизоляцией (пенополиуретан, минеральная вата с кожухом из оцинкованной стали);
- автоматикой и приборами контроля (КИПиА).
Завод ООО «Сталь Партнёр» может укомплектовать РГС-35 любым резервуарным оборудованием:
- Клапан дыхательный;
- Клапан дыхательный механический;
- Совмещенный механический дыхательный клапан;
- Незамерзающий дыхательный клапан механический;
- Краны сифонные;
- Уровнемеры;
- Сигнализаторы уровня;
- Огневые преградители;
- Хлопушки;
- Механизмы управления хлопушками;
- Краны шаровые;
- Задвижки и пр.
Резервуар горизонтальный РГС-35 м3 применяется в широком спектре отраслей, где требуется хранение и выдача жидких веществ в ограниченном объеме. Конструкция и объем емкости делают модель универсальной для объектов с умеренным потреблением жидких технологических или энергетических продуктов.
Типичные области применения резервуар РГС 30 м3:
- Нефтегазовая промышленность — для хранения светлых и темных нефтепродуктов, в том числе дизельного топлива, бензина и сырой нефти;
- Автозаправочные станции и мини-НПЗ — в подземном исполнении РГС-35 используется как основная емкость хранения топлива;
- Промышленные предприятия — для хранения технологических жидкостей, технической воды, масел и теплоносителей;
- Системы резервного теплоснабжения — в качестве емкости для мазута или другого топлива, используемого для котельных;
- Пожарные резервуары — для хранения запаса воды в системах противопожарной безопасности;
- Сельское хозяйство — для хранения удобрений, воды для орошения и жидких кормов;
- Химическая и пищевая промышленность — при условии выбора соответствующего материала и антикоррозионной защиты, возможна эксплуатация с неагрессивными жидкостями.
Для каждого из указанных применений РГС-30 адаптируется за счет выбора исполнения (одностенное/двустенное, наземное/подземное), подбора стали, нанесения гидроизоляции, обогрева и теплоизоляции. Возможна установка технологических колодцев, уровнемеров, насосов и другого оборудования в зависимости от конкретных задач объекта.
Оптимальный объем в 35 м³ делает резервуар РГС-35 особенно востребованным на объектах, где требуется обеспечить устойчивое хранение при ограниченной площади. В Красноярске и других городах Сибири такие резервуары часто применяются в котельных, на логистических базах, производственных площадках и в системах водоснабжения удалённых поселков.
Номинальный объем резервуара: 35м³
Хранимый продукт: вода (питьевая и техническая), нефть, масла (в т.ч. трансформаторное), дизельное топливо, бензин, щелочи, кислоты и т.д.
Максимальный уровень налива продукта: до 95% от геометрического объема (в зависимости от сейсмичности и расчетам на прочность)
Плотность продукта: не более 1300 кг/м³
Температура эксплуатации: не выше плюс 90 °С и не ниже минус 65 °С
Расчетное давление: гидростатическое давление столба жидкости (налив)
Рабочее давление: атмосферное
Температура наиболее холодных суток с обеспеченностью 0,98 по СП 131.13330.2012: не ниже минус 60 °С
Сейсмичность площадки строительства: определяется по СНиП- II-7-81.
Толщина теплоизоляции: уточняется в опросном листе или теплотехническими расчетами
Припуск на коррозию: по требованию опросного листа
Срок службы резервуара: не менее 10 лет
Группа аппарата: определяется по ГОСТ 34347-2017.;